E+H電磁流量計W800系列安裝時,無需采取其他措施,例如:使用額外支撐。 儀表自身結構能有效抵消外界應力。建議將傳感器安裝在豎直上升的管道中,并確保流量計與下一管道彎頭間保留有足夠的間距 (³2 x DN)。


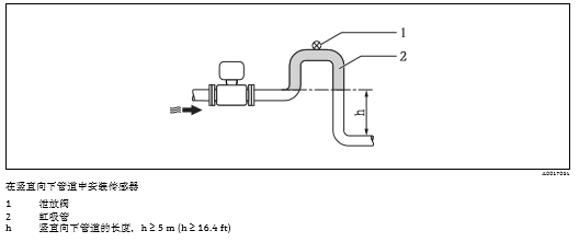
測量管中發生氣泡積聚現象時,會增大測量誤差。因此,請避免在管道中的下列位置上安裝: • 管道的高點 • 直接安裝在向下排空管道的上方 在豎直向下管道中安裝 在豎直向下管道(h ³ 5 m (16.4 ft))中安裝時,需要在傳感器下游處安裝虹吸管或泄放閥,避免抽壓 時損壞測量管內襯。此外,還可以防止液體短暫停滯在測量管中,產生氣障。


在傾斜非滿管管道中安裝 傾斜放置的非滿管管道需要配置泄放口。


長期浸沒在水中 全焊接型分體式測量儀表可以浸入在水中使用( 水深:£ 3 m (10 ft) ; 48 h 內, 水深£ 10 m (30 ft))。測量儀表滿足各種防腐性認證等級要求,符合EN ISO 12944 標準。全焊接 型結構設計和接線盒密封系統保證濕氣不會滲入至測量設備中。 可以訂購分體式儀表的連接電纜: • 預端接電纜已連接至傳感器 • 可選:使用預端接電纜,用戶在現場完成電纜連接( 包含密封接線腔的工具)


埋地安裝 全焊接型分體式測量設備可以埋地安裝。測量設備滿足防腐認證m3 要求,符合EN ISO 12944 標 準。無需采取其他防護措施,設備可以直接埋地。 參考當地常規安裝法規安裝設備 (例如:EN DIN 1610)。 可以訂購分體式儀表的連接電纜: • 預端接電纜已連接至傳感器 • 可選:使用預端接電纜,用戶在現場完成電纜連接( 包含密封接線腔的工具)


安裝方向:參考傳感器上的箭頭指向進行安裝,務必確保箭頭指向與管道中介質的流向一致。 佳安裝位置應能防止測量管中出現氣體和空氣聚集,以及出現固體積聚。 豎直管道 豎直管道安裝是下列測量條件的佳選擇: • 自排空管路系統 • 含沙石/石頭的污泥,底部易出現固體沉積。
水平管道 在水平管道中安裝時,測量電極軸必須保持水平,防止夾雜的氣泡導致兩個測量電極間出現短時 間絕緣。
如可能,傳感器的安裝位置應遠離閥、三通、彎頭等管件。 保證下列前后直管段長度,確保測量精度: • 前直管段長度:³ 5 × DN • 后直管段長度:³ 2 × DN
需要將傳感器安裝在大口徑管道中時,可以選擇符合DINEN545標準的轉接管(雙法蘭縮徑管)進 行安裝。 測量極緩慢流動的流體時,使流速增大,提高測量精度
E+H電磁流量計W800系列相關型號:
|
CPS12-0NA2ESA |
CPS11D-7AA2G |
CPS11-2AA2ESA |
CPS11-1AA2ESA |
|
CPS11D-7FA21 |
CPS11D-7AA21 |
CPS11-1FA2GSA |
CPR30-00 |
|
CPS11D-7FA2 |
CPS11D-1AA2GSA |
CPS11-1FA2ESA |
CPR3-0 |
|
CPS11D-7BT21 |
CPS11-ABA2ESA |
CPS11-1BA4GSA |
CPM280/51510538 |
|
CPS11D-7BA51 |
CPS11-2FA2ESA |
CPS11-1BA4ESA |
CPM280 |
|
CPS11D-7BA4G |
CPS11-2BA5ESA |
CPS11-1BA2GSA |
CYK7150088281 |
|
CPS11D-7BA41 |
CPS11-2BA4ESA |
CPS11-1BA2ESA |
CYK7150088280 |
|
CPS11D-7BA2G |
CPS11-2BA2ESA |
CPS11-1AS2GSA |
CYK7120M |
|
CPS11D-7BA21/CPS11D-7AA21 |
CPS11-2AS2ESA |
CPS11-1AS2ESA |
CYK7110米5008828 |
|
CPS11D-7BA21 |
CPS11-2AA5ESA |
CPS11-1AA4GSA |
CYK7110米 |
|
CPS11D-7AS21 |
CPS11-2AA4ESA |
CPS11-1AA4ESA |
CYK10-S101 |
|
CPS11D-7AA41 |
CPS11-2AA2ESA/CPS11-2BA2ESA |
CPS11-1AA2GSA |
CYK10-G881L=100M |
E+H電磁流量計W800系列相關產品圖片: